
Some restrictions apply. Simply add items to your cart and enter your shipping address to see if your order qualifies.
H086 27 Gal Holding Tank - 23726
PRODUCT DESCRIPTION
H086 27 Gal Holding Tank
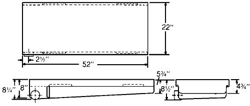
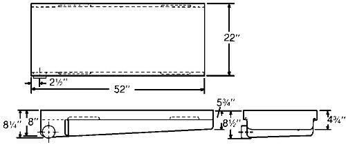
An RV holding tank can be any shape, size, and valve arrangement. We can supply over 75 sizes, dimensions and valve locations of RV Holding Tanks. Detail drawings of 8 common sizes are depicted in this link to RV holding tanks. This link will open in a new window. Close this new window to return here.
As these tanks are made of polyethylene plastic, the following products are not compatible: Sealants, pipe dope, greases, petroleum jellies, glues or other adhesives. Required plumbing include a 3" inlet and 1.5" or 2" vent in the highest part of the tank. You must drill these holes in the proper places to suit your plumbing situation. Installation of the piping is most easily accomplished by use of rubber grommets as shown.
![]() | Part #88-1259 - 3" rubber grommet Part #88-1258 - 2" rubber grommet Part #88-1257 - 1.5" rubber grommet |
The tanks shown are listed below:
| Our Product # | Manufacturers # | Size-Gallons | Overall Dimensions | Valve Location |
| H502 | H502 | 24.5 | 9 1/2" x 27" x 31" | end center |
| 23726 | H086 | 27 | 9" x 19 7/8" x 56 1/2" | end center |
| 23717 | H492 | 29 | 13" x 19 1/2" x 32" | end offset |
| H664 | H664 | 30 | 8 1/2" x 22 1/4" x 52 3/8" | end center |
| 23706 | H488 | 32 | 6 3/4" x 32" x 54" | end offset |
| H562 | H562 | 32 | 5 3/4" x 32" x 54" | end center |
| H083 | H083 | 40 | 9" x 27 1/2" x 55 1/2" | end offset |
| H729 | H729 | 46 | 11" x 18 1/2" x 82" | end center |
***** Please allow approximately 3-4 weeks for delivery.
Also you should have the existing dimensions: length, width, and height. You should also know the position of the 3 discharge valve. If possible you should make a sketch (the drawing does not have to be pretty) of the existing one and put dimensions on the drawing similar to the drawings of these sample waste tanks. Fax your ugly drawing to 713-995-8697 and include your name and phone number and we will help you find a replacement. Or simply call toll free 800-755-4775
FREQUENTLY BOUGHT TOGETHER
3-In Tank Inlet
More Details
- Product Cross-Sells
-
23717
88-1259
88-1257 - Related Products
-
89-8466
83-1879
83-1880
25608 - Manufacturer Numbers
- H086, 11-0537
- Manufacturer
- Ameri-Kart Corp
- UPC List
- 088805237265
- Brand
- Ameri-Kart Corp
- Depth (in)
- 9
- Drain Location
- End
- Gallons
- 27
- Length (in)
- 19.78
- Width (in)
- 52.5

